Technical Details
Customising the Edges
The edges of your countertop serve as a defining element in its design, contributing to a refined appearance.
Moreover, the choice of edge profile impacts not only aesthetics but also functionality, influencing aspects such as cleaning and safety.
Given the frequent interaction with the countertop surface, selecting the right edge profile is crucial.
Below are various examples of countertop edge profiles, each offering distinct characteristics to suit different preferences and design styles.
Natural & Engineered Stone Profiles
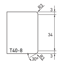
- PENCIL ROUND: Featuring a subtle round edge, ideal for rooms requiring a linear design element, with options in 20mm, 30mm and 40mm thicknesses.
- MITRED: A sleek, modern edge created by joining two pieces of stone, perfect for achieving a contemporary look.
- BULLNOSE: Known for its rounded edges, offering easy maintenance and safety, particularly suitable for households with children, available in 20mm, 30mm or 40mm thickness.
Solid Surface Profiles
- LAMBS TONGUE: The edge profile features a concave radius for an elegant, sophisticated look, available in 20mm and 30mm thicknesses.
- OGEE: a rounded concave “cove” shape atop a half bullnose profile, convex shape on the bottom edge. The sharper top and bottom edges are contrasted by the soft “S” curve of the classic ogee shape.
Standard Thickness Material
20mm Edges
30mm Edges
40mm Edges
3D Edge Images
Care & Maintenance Guidelines for Stone & Solid Surface Benchtops
Ensuring the longevity and pristine appearance of your new marble, granite, engineered stone or solid surface benchtops is simple with proper care. Follow these easy tips to protect your surfaces from heat, spills and daily wear:
Cleaning Natural & Engineered Stone Surfaces:
- Regular cleaning involves periodic washing with clean tap water and neutral cleaners.
- Use soap-free cleaners or mild, phosphate-free, biodegradable liquid dish soaps, ensuring thorough rinsing to remove all residues.
- Wet the surface with clean, mild hot water, then apply the cleaner solution in small overlapping motions.
- Rinse thoroughly with clean tap water and change rinse water frequently to remove any residues.
- Dry with a soft cloth or cotton-flannel and allow to air-dry completely.
- Immediately remove spills and rinse with water; use coasters under glasses and place-mats or trivets under heated dishes.
- Preventative measures are key to avoiding damage; do not place very hot items directly on the surface, avoid chemical products for cleaning and wipe spills promptly to prevent staining.
- Avoid cutting directly on the surface to maintain its polish and prevent damage.
- Take care to avoid excessive weight or stress on the benchtop, especially around weak areas such as sink and cooktop edges.
Cleaning & Maintenance for Engineered Stone:
- For routine cleaning, wipe the surface with warm soapy water or a quality spray and wipe cleaner.
- For thorough cleaning, use a cream cleaner or a damp cloth with mild detergent.
- Avoid prolonged contact with very hot items and exposure to strong chemicals or solvents.
Caring for Solid Surface Benchtops:
- Run cold water when pouring boiling water into sinks and clean with soapy water or ammonia-based cleaners.
- Use a 50/50 water/bleach solution for occasional cleaning and prevent heat damage by using hot pads or trivets.
- Avoid exposure to strong chemicals and do not cut directly on the surface.
- For minor scratches, sand lightly with a 3M gray finishing pad. For deeper scratches, use 320-grit wet and dry sandpaper followed by the gray pad.
- For professional restoration of nicks and scratches, contact our customer service department.
By following these care and maintenance guidelines, you can ensure your stone and solid surface benchtops retain their beauty and durability for years to come. For more specific care instructions, refer to your stone brand's website.






































